晶体管测试仪套件电阻电容三极管电子测量代替**表DIY组装散件







这是一个比**表更智能的测量仪套件,堪称电子爱好者的好帮手,具备强大的测量功能,自动判别多种元件的类型、参数、引脚定义,只需一键即可自动测量!采用电池供电的便携设计,您甚至可以带着它去商店挑选元件!同时具有外接电源功能,在室内长时间使用更加经济方便!
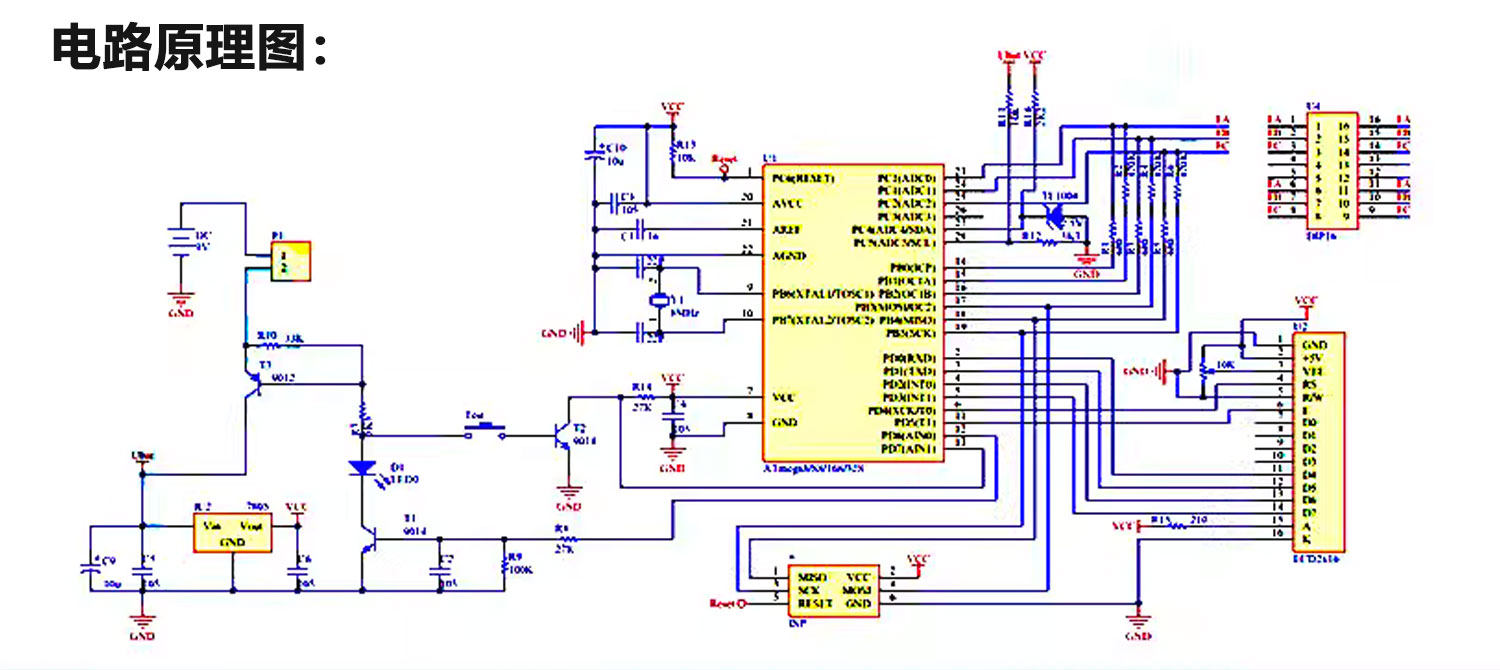
产品名称:WK-56-61晶体管测试仪制作套件
测量范围:自动检测PNP和NPN型双极晶体管,N、P沟道MOSFET,JFET场效应管,二极管,双二极管,可控硅,电阻,电容,电感。
发货形式:整套独立包装,散件形式发货,附配套说明与资料。

| 属性 | 参数 |
|---|---|
| 总库存 | 39996 件 |
| 商家编码 | WK-56-61 |
| 商品重量 | 0 g |
| 每人限购 | 0 件 |
| 包邮政策 | 满38包邮(特殊地区除外) |
| 可否开票 | 可提供开票 |
| 可否保修 | 可提供保修 |