简体中文
ENGLISH
登录
因为专注 所以专业
搜索
购物车
未添加商品
官网首页
在线商城
电子套件
电子元件
电子耗材
工具仪表
单片机
物联网
模型DIY
视频教学
产品演示
基础教学
专栏课程
其它视频
资料下载
产品资料
工具软件
教程文档
试题题库
其它资料
资讯文章
网站公告
技能技术
行业新闻
招聘信息
网友杂谈
其它资讯
周边图集
活动聚会
赛事竞赛
趣闻热闻
行业热点
图册相册
其它美图
电子套件
首页
在线商城
电子套件
全部
电子套件
电子元件
电子耗材
工具仪表
单片机
物联网
模型DIY
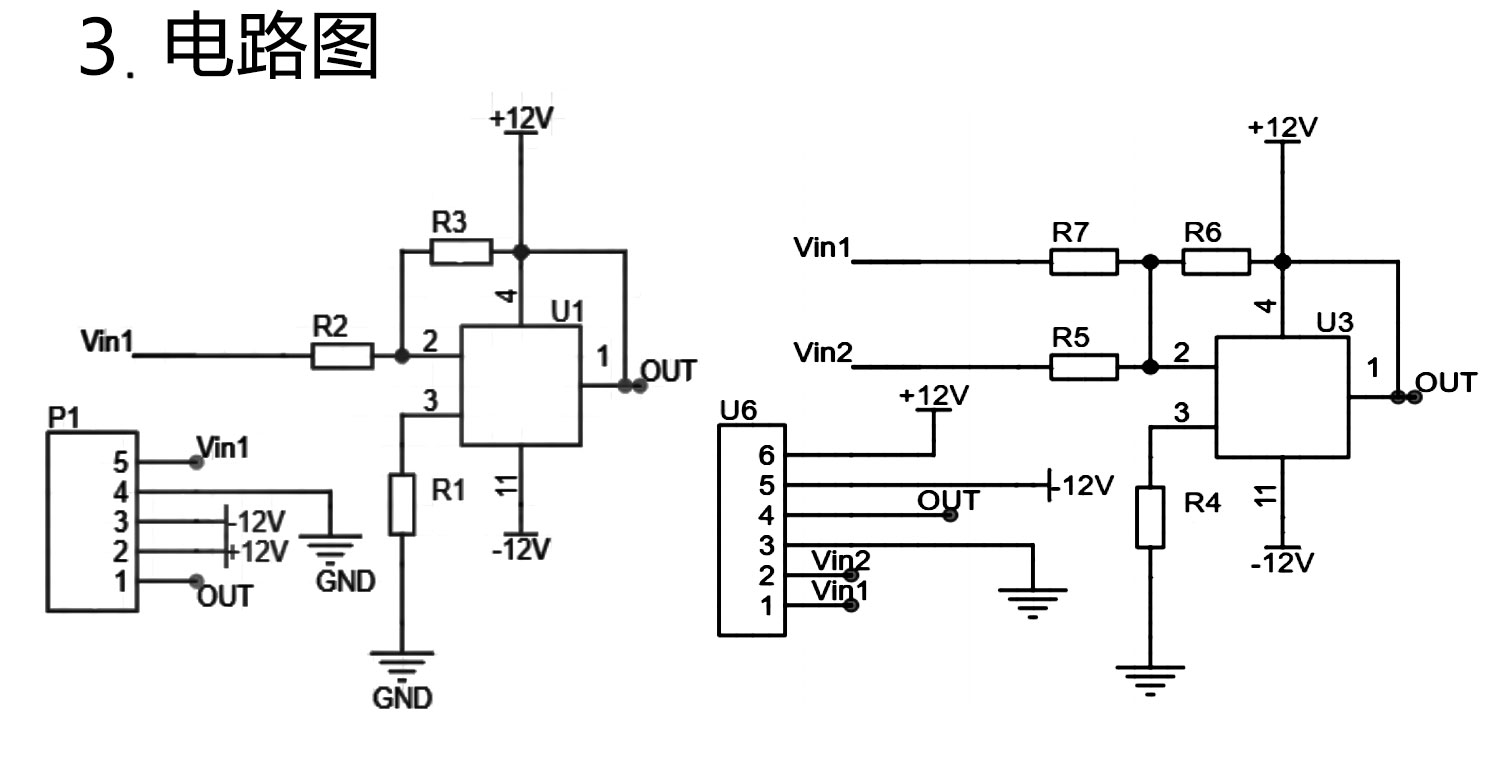
反相比例运算电路加法运算放大电路对口单招电子技能考试焊接套件
¥
4.80
编码:
KS-56-84
有货
99939
折扣时间
已售罄
数量:
加入购物车
收藏
属性
参数
总库存
99939 件
商家编码
KS-56-84
商品重量
0 g
每人限购
0 件
包邮政策
满38包邮(特殊地区除外)
可否开票
可提供开票
可否保修
可提供保修
添加评价
1 星
2 星
3 星
4 星
5 星
发表评价
在线商城分类
电子套件
电子元件
电子耗材
工具仪表
单片机
物联网
模型DIY
热卖
¥7.85-8.85
D2-1智能循迹小车套件巡线寻迹科技焊接组装实训电子制作DIY散件
¥9.95-10.95
D2-5智能循迹小车套件自动感应式巡线实验教学小制作焊接DIY散件
¥190
竞赛套件 手机蓝牙控制智能安防报警系统竞赛套件电子装调焊接JS-56-222
¥170
竞赛套件 声光控制小灯电路技能装调竞赛套件电子制作Labvie编程JS-56-211
¥60.2-73.2
DSO138数字示波器套件DIY单片机电子电路板组装焊接散件TJ-56-61
¥3.15-5.20
贴片旋转流水灯DIY电子套件焊接练习板技能训练教学实训TJ-56-67
¥24.80-43.80
蓝牙智能车DIY套件单片机循迹避障遥控小车焊接组装TJ-56-127
¥27.5-37.5
RDA5807调频数字收音机组装套件FM电平指示电子DIY焊接TJ-56-634
¥200
竞赛套件 智能家居环境控制系统竞赛套件labview电子电路装调应用JS-56-214
¥23.80-36.5
双声道多功能音响组装套件音乐频谱蓝牙MP3迷你小功放音箱DIY焊接
加入购物车
网站导航
官网首页
在线商城
电子套件
电子元件
电子耗材
工具仪表
单片机
物联网
模型DIY
视频教学
产品演示
基础教学
专栏课程
其它视频
资料下载
产品资料
工具软件
教程文档
试题题库
其它资料
资讯文章
网站公告
技能技术
行业新闻
招聘信息
网友杂谈
其它资讯
周边图集
活动聚会
赛事竞赛
趣闻热闻
行业热点
图册相册
其它美图
点击给我发消息
点击给我发消息
售前咨询:023-58556299
技术咨询:023-58722688
返回顶部